09124764727

info[at]iranpump.co

دینام آب

دینام آب

دینام آب

دینام آب یکی از اجزای مهم در سیستم‌های آبیاری و پمپاژ آب محسوب می‌شود.

در این مقاله، به بررسی انواع آن و قطعات قانونی آن، استفاده اصولی، دلایل خرابی، روش‌های انتخاب و آموزش بهره‌برداری صحیح از این دستگاه خواهیم پرداخت.

دینام آب

انواع دینام آب

دینام‌ آب به طور کلی به دو دسته دینام‌های الکتریکی و دیزلی تقسیم می‌شوند:

دینام آب الکتریکی

  • توضیحات: این نوع دینام‌ها با استفاده از انرژی الکتریکی کار می‌کنند و معمولاً در مکان‌هایی مورد استفاده قرار می‌گیرند که دسترسی به برق وجود دارد.
  • کاربرد: برای پمپاژ آب در سیستم‌های آبیاری، استخرها و مصارف صنعتی.

دینام آب دیزلی

  • توضیحات: دینام‌های دیزلی برای مکان‌هایی که دسترسی به برق وجود ندارد یا برق به طور مداوم قابل‌دسترس نیست، مناسب هستند.
  • کاربرد: کاربرد در مناطق دورافتاده و پروژه‌های کشاورزی.
دینام آب

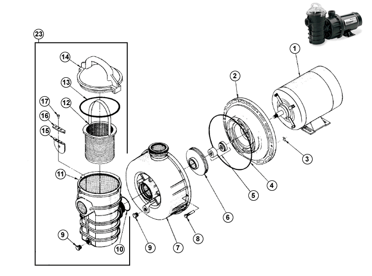
قطعات تشکیل‌دهنده دینام آب

این نوع از دینام از چندین قطعه اصلی تشکیل شده است که هر یک نقش مهمی در عملکرد کلی آن دارند:

موتور

منبع قدرت دینام است که در دینام‌های الکتریکی، موتور الکتریکی و در دینام‌های دیزلی، موتور دیزلی می‌باشد.

پمپ

این قسمت وظیفه جابجایی آب را بر عهده دارد و نوع پمپ تأثیر زیادی بر عملکرد دینام دارد.

شفت

رابط بین موتور و پمپ است و انرژی را از موتور به پمپ منتقل می‌کند.

سیستم خنک‌کننده

برای جلوگیری از گرم شدن بیش از حد موتور و پمپ طراحی شده است و معمولاً از آب به‌عنوان ماده خنک‌کننده استفاده می‌کند.

تابلو برق

برای کنترل و راه‌اندازی دینام به کار می‌رود و شامل کلیدها و کنترلرهای مختلف است.

استفاده اصولی از دینام آب

برای بهره‌برداری بهینه و طول عمر بیشتر دینام، رعایت نکات زیر الزامی است:

  1. نصب صحیح: اطمینان حاصل کنید که دینام در محلی مناسب و به دور از آلودگی نصب شده باشد.
  2. تنظیم فشار: فشار آب باید در محدوده مجاز قرار گیرد تا از آسیب به دستگاه جلوگیری شود.
  3. نگهداری منظم: انجام مراحل نگهداری و بررسی دوره‌ای دینام برای جلوگیری از بروز مشکلات جدی ضروری است.
  4. استفاده از لوازم جانبی استاندارد: برای بهره‌گیری بهینه باید از قطعات جانبی اصل و استاندارد استفاده کنید.

دلایل اصلی خرابی دینام آب

چندین عامل می‌توانند منجر به خرابی دینام شوند:

  1. عدم روغن‌کاری مناسب: عدم روغن‌کاری به موقع می‌تواند باعث فرسودگی شفت و بلبرینگ شود.
  2. بار اضافه: استفاده از دینام در بارهای بیش از حد مجاز باعث کاهش عمر مفید آن می‌شود.
  3. خرابی در سیستم برق‌رسانی: ناپایداری ولتاژ و جریان برق می‌تواند آسیب‌های جدی به دینام وارد کند.
  4. آلودگی آب: ورود ذرات معلق به داخل پمپ و موتور می‌تواند باعث کاهش عملکرد و خرابی شود.
دینام آب

روش‌های انتخاب دینام آب مناسب

برای انتخاب دینام آب مناسب، باید به موارد زیر توجه داشته باشید:

  1. نوع کاربرد: دانستن اینکه دینام برای چه منظوری استفاده خواهد شد (کشاورزی، صنعتی، خانگی) می‌تواند در انتخاب نوع آن کمک کند.
  2. ظرفیت پمپاژ: بررسی ظرفیت پمپاژ و حجم آبی که نیاز دارید، عامل مهمی است.
  3. نوع سوخت: انتخاب بین دینام الکتریکی و دیزلی بر اساس دسترسی به منابع انرژی.
  4. اندازه و ابعاد: ابعاد و فضای موجود برای نصب دینام نیز باید مدنظر قرار گیرد.
  5. برند و کیفیت: انتخاب برندهای معتبر و با کیفیت می‌تواند سبب کاهش خرابی‌ها و افزایش دوام دستگاه شود.

آموزش بهره‌برداری صحیح از دینام آب

برای بهره‌برداری بهینه از دینام آب، باید نکات زیر را در نظر داشته باشید:

  1. آموزش کارکنان: کارکنانی که با دینام کار می‌کنند باید آموزش‌های لازم را دریافت کنند تا از بروز اشتباهات جلوگیری شود.
  2. برنامه‌ریزی منظم برای نگهداری: مانیتور کردن و برنامه‌ریزی عمومی برای نگهداری و بررسی وضعیت دینام کمک می‌کند که مشکلات قبل از بروز خرابی شناسایی شوند.
  3. استفاده از سیستم‌های مانیتورینگ: برای نظارت بر عملکرد دینام و شناسایی مسائل احتمالی قبل از وقوع ضرورت دارد.
  4. توجه به محیط‌ زیست: اطمینان حاصل کنید که دینام در محیطی سالم و ایمن راه‌اندازی می‌شود و به آلودگی محیط‌زیست کمک نمی‌کند.

دینام آب یک جزء اساسی در سیستم‌های آبیاری و پمپاژ آب محسوب می‌شود که انتخاب صحیح، نصب و نگهداری مناسب آن می‌تواند تأثیر زیادی بر کارایی و طول عمر آن داشته باشد.

با توجه به نکات ذکر شده در این مقاله، می‌توانید از دینام آب به بهترین نحو بهره‌برداری کنید و از مزایای آن بهره‌مند شوید.

جهت مشاوره تخصصی در تمام امورات و انواع دینام آب با متخصصان ایران پمپ تماس بگیرید .

دیدگاهتان را بنویسید

نشانی ایمیل شما منتشر نخواهد شد. بخش‌های موردنیاز علامت‌گذاری شده‌اند *